开关电源产生的干扰,按噪声干扰源种类来分,可分为尖峰干扰和谐波干扰两种;若按耦合通路来分,可分为传导干扰和辐射干扰两种。
首先需要寻找其干扰源,一般开关电源的EMI干扰源集中体现在功率开关管、整流二极管、高频变压器等
其中一般由基本整流器产生的电流高次谐波干扰和变压器型功率转换电路产生的尖峰电压干扰.
基本整流器的整流过程是产生EMI最常见的原因。这是因为正弦波电源通过整流器后变成单向脉动电源已不再是单一频率.
变压器型功率转换电路用以实现变压、变频以及完成输出电压调整,是开关稳压电源的核心,主要由开关管和高频变压有较大幅度的窄脉冲,其频带较宽且谐波比较丰富。产生这种脉冲干扰的主要原因是:
(1)开关功率晶体管感性负载是高频变压器或储能电感在开关管导通的瞬间,变压器初级出现很大的涌流,将造成尖峰
上是尖脉冲,轻者造成干扰,重者有可能击穿开关管。
(2)由高频变压器产生的干扰当原来导通的开关管关断时,变压器的漏感所产生的反电势E=-Ldi/dt
其值与集电极的电流变化率(di/dt)成正比,与漏感量成正比,叠加在关断电压上,形成关断电压尖峰,形成传导性电
初级,还会传导向配电系统,影响其它用电设备的安全和经济运行。
(3)由输出整流二极管产生的干扰在输出整流二极管截止时,有一个反向电流,它恢复到零点的时间与结电容等因素有
速恢复到零点的二级管称为硬恢复特性二极管,这种二极管在变压器漏感和其它分布参数的影响下,将产生较强的高频
对上述开关电源产生的EMI所采取的抑制措施,主要有正确选择半导体器件、变压器铁芯材料和在开关电源的电路中采取滤波方法
现在在这只要介绍一些我们常用的滤波抑制措施
1、 电源进线端和电源输出线端分别加入滤波电路。
1) 电源进线端滤波器
在电源进线端通常采用下图1电路。该电路对共模和差模纹波干扰均有较好抑制作用。

1) 输出端滤波器
输出端滤波器大都采用LC滤波电路(注意:L值不宜过大)
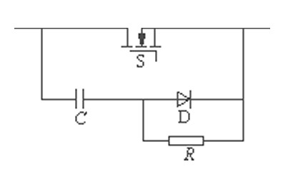
2、 在二极管两端并联电容C或RC电路 (在桥式整流中,二极管都并联一个小电容),见下图2

图2 R-C吸收电路
整流二极管的EMI来源集中体现在反向恢复特性上,反向恢复电流的断续点会在电感(引线电感、杂散电感等)产生高 dv/dt,从而导致强电磁干扰
并联电容C的目的为防止有用信号通常是高频信号和电源工频信号在整流二极管上产生相互调制从而产生干扰信号干扰机器的正常工作。
3、 在MOSFET管中增加缓冲电路
缓冲电路的目的是对开关管产生的瞬态噪声进行抑制。采用的是在开关管两端并上R—C—D网络进行抑制,它可以减缓开关管的漏极和源极之间的电压上升率,如图3所示。

图3 R-C-D电路
总的来说在遇到EMI问题时,我们需要对具体电路和测试数据作出具体分析,找出干扰源,采取相应的抑制措.